
CASAPPA POMP KOTE APL SERI APL61 APL82 APL100 APL125
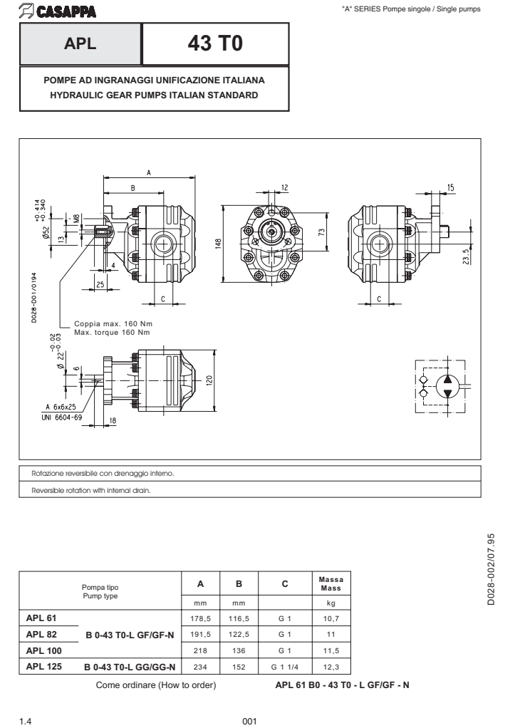
Ponp Kovèti pou APL SERIES prezante nan katalòg sa a se nan konstriksyon fè jete ak trustplates balanse epi yo gen yon kapasite koule patikilyèman segondè an relasyon ak gwosè fizik ak pwa. Yo te devlope avèk siksè pou atenn karakteristik pèfòmans segondè nan tou de vitès nòmal ak ba. Pou rezon sa yo, yo gen aplikasyon lajè nan machin agrikòl ak mobil. Konstriksyon ponp ekstèn kalite Kovèti pou Montage bride triyangilè (Italyen) Koneksyon liy VisDireksyon wotasyon (kap sou arbr kondwi) Revèsib (B) drenaj entèn Ranje presyon admisyon pou ponp 0,7 ÷ 3 bar (abs.) Ranje tanperati likid Soti nan -15 rive nan +80 degre APL 61 B0 - 43 T0 - L GF/GF - N APL 125 B 0-43 T0-L GG/GG-N APL 82 B0 - 43 T0 - L GF/GF - N APL100 B{0 - 43 T0 - L GF/GF - NAPL 61 B0 - 19 T1 - L GF/GF - N APL 82 B0 - 19 T{1 - L GF/GF - N APL 100 B0 - 19 T{ {31}} L GF/GF - N APL 125 B0 - 19 T1 - L GF/GF - N APL 61 B0 - 13 T1 - L GF/GF - N APL 82 B0 - 13 T1 - L GF/GF - N


|
CASAPPA POMP KOTE APL SERI APL61 APL82 APL100 APL125 |






Baj popilè: casappa gear pumps apl series apl61 apl82 apl100 apl125









