
REXROTH M-Z4SEH 4/2 Direksyon Syèj Valv, Pilòt Opere M-Z4SEH10E M-Z4SEH10E1 M-Z4SEH10 M-Z4SEH10A M-Z4SEH10B M-Z4SEH16E M-Z4SEH16E1 M-Z4SEH16E1 M-Z4SEH16H16A
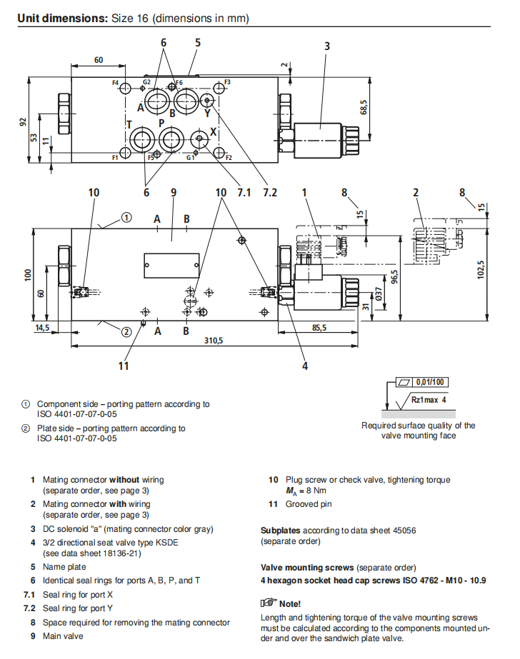
Gwosè eleman 8Seri eleman BPresyon opere maksimòm 500 barMaksimòm koule 5 l/min Karakteristik– Soupap chèz direksyon ki opere dirèk ak aksyon solenoid, sere sou tou de bò yo– Kavite montaj R/T-8A – Koneksyon bloke byen sere nan yon fòm san koule – Chanjman san danje tou ak peryòd kanpe pi long – Solenoid DC mouye-pin – Bobin solenoid rotatif Presyon operasyon 350 senbòl barSpool Kalite Materyèl no.N KSDER8NB/HN0 V R901085000KSDER8NB/HN11V R901207100P KSDER8PB/HN0V R901085005KSDER8PB/HN9V R901207098 Presyon fonksyònman 500 barSpool senbòl Kalite Materyèl no.N KSDEU8NB/HN085005R90VH0901 R901207098 5009 Jeneral 2/2 tiyo chèz direksyon yo opere dirèk, tiyo katouch konpanse presyon. Yo fondamantalman konpoze de seksyon vis-an (1), solenoid (4) osi byen ke eleman fèmen (3) ak prentan konpresyon (2).Fonksyon Pozisyon inisyal valv la (nòmalman louvri "P" oswa nòmalman fèmen "N". ") detèmine pa pozisyon nan eleman nan fèmen (3) ak aranjman nan sezon prentan an konpresyon (2). Akòz konsepsyon estriktirèl la, tiyo chèz 2/2 direksyon yo toujou konpanse presyon an relasyon ak fòs yo. Pò prensipal yo ① ak ② ka chaje ak yon presyon opere nan 350/500 bar (gade paj 4).


|
REXROTH M-Z4SEH 4/2 tiyo chèz direksyon, pilòt opere M-Z4SEH10E M-Z4SEH10E1 M-Z4SEH10 M-Z4SEH10A M-Z4SEH10B M-Z4SEH16E M-Z4SEH16E1 M-Z4SEH16 M-Z4SEH16A M-Z4SEH16B |








Baj popilè: rexroth m-z4seh 4/2 tiyo chèz direksyon, pilòt opere m-z4seh10e m-z4seh10e1 m-z4seh10 m-z4seh10a m-z4seh10b m-z4seh16e m-z4seh16e1 m-z4seh16e1 m-z4seh16a









